发布时间: 2015-09-29 浏览次数: 作者:卓定科技
前面我们围绕“什么是浪涌电流?浪涌电流是如何产生的?如何测量浪涌电流?”这几个问题展开了讨论。经过上一章节的学习,我们都知道了浪涌电流是在电源接通瞬间的时候,由于输入滤波的电容快速的充电而产生的。该浪涌电流要远远大于稳态输入电流,那么浪涌电流也势必会对我们产生一定的危害。浪涌电流到底有哪些危害呢?我们又该如何去抑制浪涌电流?下面就让我们一起来了解一下。
浪涌电流的危害主要有:电源输入熔断器熔断、机械开关或断路器粘连失效、插入插座时产生打火现象、电源前端接入的整流桥容易被击穿损坏、电网波形瞬间下跌等。这些现象会给电源厂商和用户带来很多麻烦,尤其是在需要可靠性和安全性较高的场合,为了避免这类现象的发生,必须采取一些方法来抑制浪涌电流。
抑制浪涌电流的方法:
1、 串联温度系数热敏电阻(NTC)。利用温度系数上电时限制浪涌电流,启动后,NTC流过电流发热,使其电阻值降低。这种方法相对比较简单,但是由于受自身发热及热启动特性差的限制,这种方法一般只适用于500W以下并且对电源的使用要求不高的场合。
利用NTC抑制上电浪涌电流
2、 电磁继电器式,电源上电经一定延时后电磁继电器的触点将限流电阻短路,其缺点是体积大,吸和时产生噪音大、继电器触点寿命短、耐冲击振动性差。
3、 固态继电器式,用可控硅代替机械触点,其缺点是外围电路较繁琐,双向可控漏电流大,因此也不能有效控制浪涌电流。
机械触点短接 电子触点短接
浪涌电流的保护技术:
1、 瞬变二极管(选择合适的保护电压,单向或双向,吸收电流),其特点是反应速度快,吸收电流大。通常跨接于线间或线和大地。
2、 自恢复保险丝,串接于线路中在瞬变二极管前,当瞬变二极管吸收电流后通过自恢复保险丝的电流增大切断通路,特点是反应较慢,但可阻止电流继续增大应用过程中应选择合适的电压和电流参数
3、 空气放电管,用于雷电等高压击穿空气放电,放在最前面,接在保护线和大地间或线间。
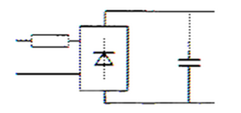
4、 压敏电阻,过压保护线和底线,实际的应用就等于自己做了一个浪涌保护器,以此达到抑制浪涌电流的目的。
用电阻抑制浪涌电流
通过以上学习,我们知道浪涌电流的产生会对我们造成各种或大或小的危害。为保证我们在使用电器过程中的安全,我们应该学习掌握浪涌电流的抑制方法,尽量把这种危害降到最低。

