发布时间: 2015-10-20 浏览次数: 作者:卓定科技
随着新能源行业的蓬勃发展,电动汽车在生活中也越来越常见。比亚迪、宝马、特斯拉等汽车制造商都推出了纯电动汽车,而混合动力汽车则更为常见。为了方便地给这些电动汽车的电池进行充电,就需要建设充电站。一个充电站是如何构成的?下面让我们来简单了解一下。
图1 电动汽车充电站电气结构图
电动汽车充电站主要由三部分构成:供电系统,充电设备和监控系统。
供电系统主要为充电设备提供电源,主要由一次设备(开关、变压器、线路等)和二次设备(包括检测、保护、控制装置等)组成,专门配备有源滤波装置消除谐波,稳定电网。
充电设备是整个充电站电气系统的核心部分,一般分直流充电桩和交流充电桩。直流充电桩,即非车载充电机,实现电池快速充电功能。交流充电桩主要提供车辆慢充的功能,输出为交流电,需连接车载充电机。
充电监控系统由一台或多台工作站或服务器组成,可以包括监控工作站、数据服务器等,这些计算机通过网络联结。监控工作站提供充电监控人机交互界面,实现充电机的监控和数据收集、查询等工作;数据服务器存储整个充电系统的原始数据和统计分析数据等,提供数据服务及其他应用服务。
下面我们重点介绍一下供电系统和充电设备(交流充电桩和直流充电桩)。
供电系统标准要求
1、 供电电源要求
1) 充电站应采用10(20)KV电压等级供电;
2) 交流充电桩应采用380V或220V电压等级供电;
3) 直流充电桩应采用380V电压等级供电。
2、 电能质量要求
1) 供电电源电压偏差应符合,10(20)KV以及以下三相供电的电压偏差不得超过标称电压的±7。220V单相供电的电压偏差不得超过标称电压的+7%、-10%;
2) 频率偏差不得超过±0.2Hz;
3) 公共电网谐波电压的限值要求10(20)KV三相电压总谐波畸变率小于5%、380V三相电压总谐波畸变率小于4%;
4) 保证最大负荷运行时变压器10(20)KV侧功率因数不低于0.95。
3、 电气计量要求
需要测量和计量能效的部分包括:变压器高低压侧进线、充电机回路、充电桩供电回路。准确度要求应负荷GB/T 50063-2008和DL/T 5137-2008的规定。
交流充电桩原理
交流充电桩电气系统如图2所示,主回路由输入保护断路器、交流智能电能表、交流控制接触器和充电接口连接器组成;二次回路由控制继电器、急停按钮、运行状态指示灯、充电桩智能控制器和人机交互设备(显示、输入、刷卡)组成。
图2 交流充电桩电气系统
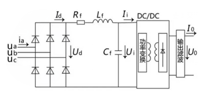
直流充电桩原理
直流充电桩电气系统三相电网输入交流电,经过三相桥式不可控整流电路整流变成直流电,滤波后提供给高频DC-DC功率变换器,功率变换器经过直直变换输出需要的直流,再次滤波后为电动汽车动力电池充电。如图3所示。
图3 直流充电桩电气系统

