发布时间: 2015-12-08 浏览次数: 作者:卓定科技
新的RTO-K42选件为基于MIPI D-PHY相关接口的模块开发人员在设计、验证和调试过程中提供测试支持。这些接口主要被用于智能手机、平板电脑以及其他便携电子设备的摄像头和显示单元。
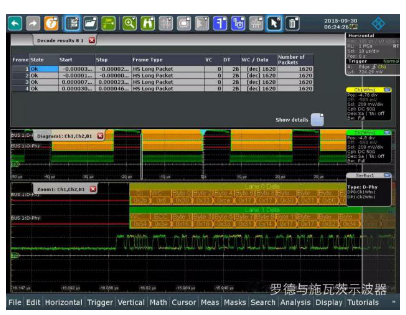
R&S RTO-K42选件可以帮助开发人员直接对MIPI DSI和MIPI CSI-2接口的高速低功率数据包的内容进行触发。对于MIPI D-PHY开发人员的一个特殊挑战是数据内容被分割为四个不同通道或链路进行传输,然后再合并恢复。R&S RTO-K42选件应对这一挑战,允许开发人员在分析过程中根据具体的工作模式选择按位、按链路进行解码并获得合并后的完整协议内容。无论用户选择何种方式,解码后的结果都可以被显示为协议列表或具有颜色编码的蜂窝图等容易读取的格式。每条链路支持的数据率高达2.5Gbps。
同时,解码的内容与模拟信号时间相关,帮助用户方便地识别由信号完整性问题带来的错误。另外,列表显示的协议内容也支持强大的协议搜索和导航功能,简化了用户的调试过程,并使用户对特定的单独像素进行验证和相关分析成为可能。
通过R&S RTO-K42 MIPI D-PHY协议触发和解码选件与RTO-K26 MIPI D-PHY物理层一致性测试选件,罗德与施瓦茨公司为用户提供了完整的MIPI D-PHY接口测试方案,用户可以利用这些方案对设备的物理层和高速协议层进行快速可靠的分析。
R&S RTO示波器具备极佳的信号保真度,具备高分辨率、高采样率以及存储深度高等优势、而且以Windows系统为操作平台,操作非常简单。关于更多R&S 示波器以及MIPI D-PHY测试解决方案的产品信息,欢迎来电咨询。

